產品介(jie)紹
SHD型減速器
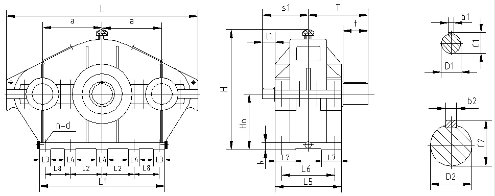
SHD型減速器外形(xing)尺寸,見(jian)圖9、表11:

圖9 SHD型(xing)減速器外形尺寸
表11 SHD型減速器外形尺寸(cun)
規格
中心尺寸
輪 廓 尺 寸
地 腳 螺 栓
輸 入 尺 寸
低 速 軸 伸
參考電機 (機座號)
質量(不含電機)kg
a Ho
H L L1 L5
d n k L2 L3 L6 L7
D1 b1 c1 M S n1 d1
D2 t T c2 b2
105
105 100
201 360 230 135
M12 4 18 160 60 105 40
14H7 4 16.3 145 95 4 12
19H7 6 21.8 165 101 4 12
32k6 58 125 35 10
63
80
35
125
125 115
258 410 270 140
M12 4 20 200 60 110 40
19H7 6 21.8 165 103.5 4 12
24H7 8 27.3 165 113.5 4 12
38k6 58 130 41 10
80
90
58
145
145 130
291 475 310 175
M16 4 25 220 60 130 50
24H7 8 27.3 165 121 4 12
28H7 8 31.3 215 131 4 15
28H7 8 31.3 215 131 4 15
48k6 82 160 51.5 14
90
100
112
69
175
175 165
367 585 370 200
M16 4 25 290 80 150 50
28H7 8 31.3 215 146 4 15
28H7 8 31.3 215 146 4 15
38H7 10 41.3 265 166 4 15
60m6 105 203 64 18
100
112
132
115
215
215 200
433 690 450 240
M20 4 30 380 100 185 65
28H7 8 31.3 215 146 4 15
38H7 10 41.3 265 181 4 15
42H7 12 45.3 300 211 4 19
75m6 105 215 79.5 20
112
132
160
210
255
255 230
493 810 530 260
M20 6 35 220 100 210 70
38H7 10 41.3 265 190 4 15
42H7 12 45.3 300 220 4 19
48H7 14 51.8 300 220 4 19
90m6 130 245 95 25
132
160
180
290
300
300 280
585 960 620 300
M24 6 40 255 120 235 80
42H7 12 45.3 300 220 4 15
48H7 14 51.8 300 220 4 19
55H7 16 59 350 233 4 19
110m6 165 315 116 28
160
180
200
500
| SHD型減速器 | |||||||||||||||||||||||||||||||||||||||||||||||||||||||||||||||||||||
|
SHD型減速器外形(xing)尺寸,見(jian)圖9、表11:
圖9 SHD型(xing)減速器外形尺寸 表11 SHD型減速器外形尺寸(cun)
|
