產品介紹
MSH型減速器
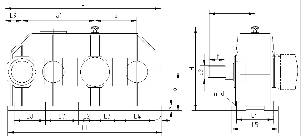
H型減速(su)器外形尺(chi)寸,見圖14、表16:

4 MSH型減速(su)器外形尺寸
表16 MSH型(xing)減(jian)速器外形(xing)尺寸
規
格
中 心 尺 寸
輪 廓 尺 寸
地 腳 螺 栓
輸 出 軸 伸
所配電機
質量
(kg)
a1 a H0
H L L1 L5 L9
d n k L2 L3 L4 L6 L7 L8 L0
花 鍵
t T
350
570 350 325
678 1275 1230 400 155
M24 10 27 320 245 245 350 320 40
EXT36Z×3m×30R×6f
170 490
YEJ132
750
400
650 400 400
845 1430 1380 480 160
M30 12 33 340 280 280 415 360 45
EXT44Z×3m×30R×6f
190 537
YEJ160
1420
500
820 500 475
990 1800 1740 570 190
M36 12 40 200 300 400 500 400 300 60
EXT60Z×3m×30R×6f
265 673
YEJ180
2620
550
910 550 560
1110 2000 1920 610 215
M36 12 40 250 390 390 530 380 380 65
EXT40Z×5m×30R×6f
300 750
YEJ200
3430
600
1000 600 630
1270 2200 2100 670 240
M42 12 45 300 420 420 580 400 400 80
EXT45Z×5m×30R×6f
360 800
YEJ225
4310
MSH型減速器
H型減速(su)器外形尺(chi)寸,見圖14、表16:

4 MSH型減速(su)器外形尺寸
表16 MSH型(xing)減(jian)速器外形(xing)尺寸
|
規
格 |
中 心 尺 寸 |
輪 廓 尺 寸 |
地 腳 螺 栓 |
輸 出 軸 伸 |
所配電機 |
質量
(kg) | |
|
a1 a H0 |
H L L1 L5 L9 |
d n k L2 L3 L4 L6 L7 L8 L0 |
花 鍵 |
t T | |||
|
350 |
570 350 325 |
678 1275 1230 400 155 |
M24 10 27 320 245 245 350 320 40 |
EXT36Z×3m×30R×6f |
170 490 |
YEJ132 |
750 |
|
400 |
650 400 400 |
845 1430 1380 480 160 |
M30 12 33 340 280 280 415 360 45 |
EXT44Z×3m×30R×6f |
190 537 |
YEJ160 |
1420 |
|
500 |
820 500 475 |
990 1800 1740 570 190 |
M36 12 40 200 300 400 500 400 300 60 |
EXT60Z×3m×30R×6f |
265 673 |
YEJ180 |
2620 |
|
550 |
910 550 560 |
1110 2000 1920 610 215 |
M36 12 40 250 390 390 530 380 380 65 |
EXT40Z×5m×30R×6f |
300 750 |
YEJ200 |
3430 |
|
600 |
1000 600 630 |
1270 2200 2100 670 240 |
M42 12 45 300 420 420 580 400 400 80 |
EXT45Z×5m×30R×6f |
360 800 |
YEJ225 |
4310 |
